-10%B3
8.716,68 €
7.845,01 € + PDV
Nema na zalihi
Nema na zalihi
Carrier information
Payment methods
Unlimited help desk
Track or off orders
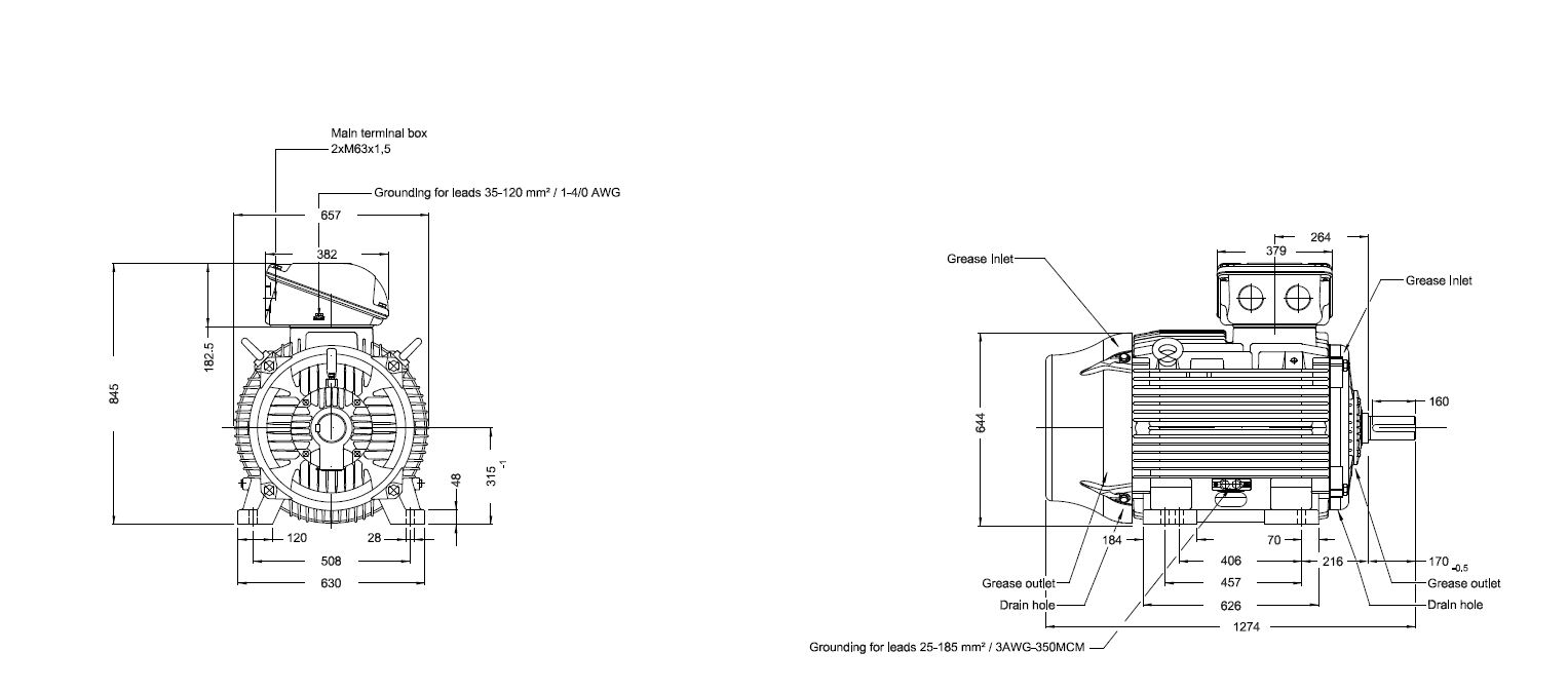
Elektromotor ili električni motor je stroj koji pretvara električnu energiju u mehanički rad. Najčešći su rotacijski strojevi koji rad obavljaju okretanjem rotora uz razvijanje okretnog momenta. Također postoje i linearni motori koji stvaraju silu koja uzrokuje ubrzanje i linearno gibanje mase, stroja ili predmeta pri čemu se obavlja mehanički rad. U uporabi je mnogo vrsta i izvedbi elektromotora i danas su najviše korišteni pogonski strojevi u gotovo svim područjima ljudske djelatnosti a poglavito u industriji i prometu.
Primjeri korištenja:
Stacionarne aplikacije elektromotora: vjetroelektrane, pumpe, ventilacijski sistemi, reduktori, pogonske linije lančanika i remenica..
Mobilne aplikacije elektromotora: bageri, rovokopači, lokomotive vlakova, tramvaji, trolejbusi, električni automobili…

Astraprom d.o.o. ponosni je generalni distributer WEG Industries-a za Hrvatsku! Osnovana 1961. godine, WEG je globalna tvrtka za elektro opremu koja proizvodi električne strojeve i razvija rješenja za automatizaciju u velikom broju industrijskih sektora. WEG ulaže u neprekidni razvoj inovativnih rješenja za industriju, te prati trendove energetske učinkovitosti, obnovljive energije i električne mobilnosti. S centrima proizvodnje u 12 i prisutnosti u više od 135 zemalja, tvrtka danas broji preko 33.000 zaposlenika diljem svijeta.
Industrijska elektro oprema:
Proizvodnja, prijenos i distribucija energije (GTD)
Boje i lakovi
WEG je najveći proizvođač elektromotora na svijetu sa proizvodnjom od 60.000 motora dnevno Najveća tvornica elektromotora na svijetu nalazi se upravo u sjedištu WEG Industries – Jaraguá do Sul u Brazilu.
Astraprom je ponosni generalni distributer Bonfiglioli i WEG elektromotora. U našoj ponudi možete pronaći sve vrste elektromotora od 0,06 – 250KW, monofazne (1F); trofazne (3F); s prihvatom ili prirubnicom ( B3, B5, B14) te klase učinkovitosti IE4, IE3, IE2 I IE1 – DOSTUPNO ODMAH, NA LAGERU!
Na zalihi
Rijeka:
Samobor:
Novska:
Nema na zalihi
Rijeka:
Samobor:
Novska:
Nema na zalihi
Rijeka:
Samobor:
Novska:
Nema na zalihi
Rijeka:
Samobor:
Novska:
Nema na zalihi
Rijeka:
Samobor:
Novska:
Nema na zalihi
Rijeka:
Samobor:
Novska:
Nema na zalihi
Rijeka:
Samobor:
Novska:
Nema na zalihi
Rijeka:
Samobor:
Novska:
Nema na zalihi
Rijeka:
Samobor:
Novska:
Nema na zalihi
Rijeka:
Samobor:
Novska:
Nemate korisnički račun?
Registrirajte se
Nema na zalihi