-10%B3
1.380,14 €
1.242,13 € + PDV
1 na zalihi
Rijeka: Na zalihi
Samobor: Nema na zalihi
Novska: Nema na zalihi
1 na zalihi
Carrier information
Payment methods
Unlimited help desk
Track or off orders
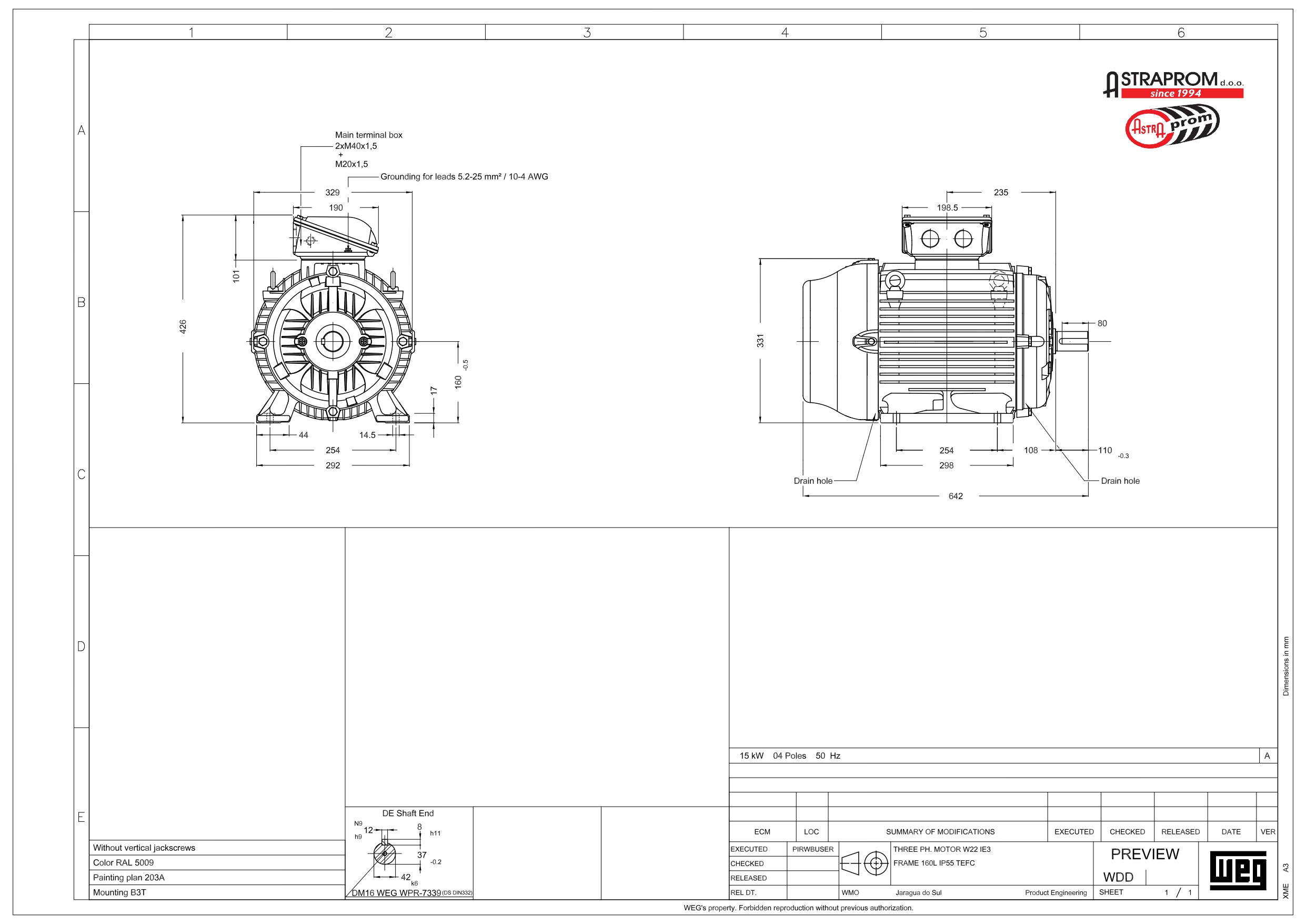
EL.MOTOR 15KW(160) 1400 4P B3 W22 IE3 WEG pouzdano je i snažno rješenje za industrijsku primjenu. Dizajniran je za stabilan rad i dug vijek trajanja. Idealan je za sustave koji zahtijevaju srednje brzine i visoku učinkovitost.
Motor ima robusno kućište od lijevanog željeza. Konstrukcija osigurava visoku otpornost na mehanička opterećenja. Smanjuje vibracije i poboljšava stabilnost rada. Time se produžuje vijek trajanja motora i pripadajuće opreme.
Ovaj elektromotor pruža visoku energetsku učinkovitost IE3. Smanjuje potrošnju električne energije i operativne troškove. Pogodan je za kontinuirani rad u zahtjevnim industrijskim uvjetima.
S četiri pola postiže sinkronu brzinu od 1500 okretaja u minuti. Omogućuje stabilan i ravnomjeran rad. Idealan je za pumpe, ventilatore, kompresore i druge industrijske strojeve.
Montaža tipa B3 omogućuje jednostavno postavljanje na stopalo. Instalacija je brza, sigurna i pouzdana. Motor se lako integrira u postojeće sustave.
Stupanj zaštite IP55 štiti motor od prašine i vlage. Omogućuje rad u zahtjevnim industrijskim okruženjima. TEFC IC411 sustav hlađenja učinkovito odvodi toplinu i održava optimalnu radnu temperaturu.
Razvodna kutija na vrhu omogućuje jednostavno električno povezivanje. Održavanje i servisiranje su brzi i jednostavni. Time se smanjuju zastoji u radu.
Motor je izrađen prema međunarodnim standardima kvalitete. Zadovoljava visoke industrijske zahtjeve. Osigurava dugotrajan i pouzdan rad.
EL.MOTOR 15KW(160) 1400 4P B3 W22 IE3 WEG nudi odličan omjer snage, učinkovitosti i trajnosti. Idealan je izbor za industrijske aplikacije koje zahtijevaju pouzdanost i performanse.
Nema na zalihi
Rijeka:
Samobor:
Novska:
Nema na zalihi
Rijeka:
Samobor:
Novska:
Nema na zalihi
Rijeka:
Samobor:
Novska:
Nema na zalihi
Rijeka:
Samobor:
Novska:
Nema na zalihi
Rijeka:
Samobor:
Novska:
Nema na zalihi
Rijeka:
Samobor:
Novska:
Nema na zalihi
Rijeka:
Samobor:
Novska:
Na zalihi
Rijeka:
Samobor:
Novska:
Nema na zalihi
Rijeka:
Samobor:
Novska:
Nema na zalihi
Rijeka:
Samobor:
Novska:
Nemate korisnički račun?
Registrirajte se
1 na zalihi