-10%
1,75 €
1,58 € + PDV
Nema na zalihi
Nema na zalihi
Carrier information
Payment methods
Unlimited help desk
Track or off orders
| Težina | 0,01 kg |
|---|---|
| Dimenzije |
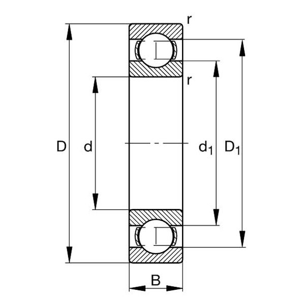
Kuglični ležaj dopušta velike brzine vrtnje, te je primjeren za prenošenje radijalnih i aksijalnih sila do 45°. S obzirom da kuglični ležajevi imaju povoljnu cijenu, u praksi su to najčešće korišteni valjni, odnosno kotrljajući ležajevi. Izrađuju se u jednorednoj ili dvorednoj izvedbi.
Jednoredni kuglični ležajevi su kruti, nerastavljivi radijalni ležajevi u kojima su valjna tijela (kuglice) vođena u dubokim utorima u unutarnjem i vanjskom prstenu ležaja. Imaju približno jednaku radijalnu i aksijalnu nosivost, a od svih vrsta ležajeva najprimjereniji su za najviše brzine vrtnje.
Jednoredni kuglični ležajevi standardizirani su prema ISO 15, DIN 625 i HRN M C3.600.


Astraprom d.o.o. je od 2012. godine ponosni distributer proizvoda i usluga Schaeffler grupe za industrijski program. SCHAEFFLER grupa i njezini brendovi FAG i INA predstavljaju vodećeg proizvođača ležajeva u svijetu. Svojim proizvodima opskrbljuju oko 60 različitih industrijskih sektora te brojne proizvođače u autoindustriji. Cjelokupni industrijski program obuhvaća više od 225 000 različitih proizvoda.
INA proizvodi su sinonim za izvrsnost u proizvodnji valjkastih ležajeva, kliznih ležajeva i linearnih sustava, kao i preciznih komponenti za automobilsku industriju za motore, prijenose snage i pogonske sklopove diljem svijeta.
FAG je jedan od vodećih proizvođača preciznih kugličnih i valjkastih ležajeva za automobilsku, strojarsku i zrakoplovnu industriju. U svom programu nudi kompletne linije radijalnih krutih i kutnih kugličnih ležajeva, valjkastih ležajeva, kućišta, te alata i pribora za njihovu ugradnju.
[message_box bg=”#hex or http://imageurl”] U ponudi imamo ležajeve proizvođača: Schaeffler (FAG/INA), NTN/SNR, TIMKEN, IKO i KOYO. [/message_box]
Na zalihi
Rijeka:
Samobor:
Novska:
Na zalihi
Rijeka:
Samobor:
Novska:
Na zalihi
Rijeka:
Samobor:
Novska:
Na zalihi
Rijeka:
Samobor:
Novska:
Nema na zalihi
Rijeka:
Samobor:
Novska:
Nema na zalihi
Rijeka:
Samobor:
Novska:
Nema na zalihi
Rijeka:
Samobor:
Novska:
Na zalihi
Rijeka:
Samobor:
Novska:
Na zalihi
Rijeka:
Samobor:
Novska:
Nema na zalihi
Rijeka:
Samobor:
Novska:
Nemate korisnički račun?
Registrirajte se
Nema na zalihi